最全LED灯丝灯驱动电源方案解析
LED灯丝灯就是从外形上看用LED制作的白炽灯。以往LED光源要达到一定的光照度和光照面积,需加装透镜之类的光学器件,一方面影响光照效果,另一方面会降低LED应有的节能功效,而LED灯丝可以实现360°全角度发光,大角度发光且不需加透镜,就可实现立体光源,带来前所未有的照明体验。
LED灯丝的生产技术
LED灯丝是将无背镀的蓝光LED灯珠固晶在蓝宝石、透明陶瓷、荧光晶体、玻璃、金属等做成的基条上,再通过金线串联,以及涂覆荧光粉而制成[3]。其流程如下图所示。

目前灯丝灯的基板主要分为两大类,硬性基板和柔性基板,硬性支架通常用量较多的有陶瓷和铜支架,柔性支架主要为FPC(聚酰亚胺或聚酯薄)、BT(树脂板)、PE(聚乙烯)支架,如下图所示。

目前市场上硬性基板灯丝采用正装芯片封装的较多,正装芯片封装采用固晶胶或者共晶技术将芯片固定在基板上,通过金线或者合金线实现电气连接,如下图正装灯丝封装图所示。

柔性灯丝通常采用倒装芯片,部分硬性基板也有采用倒装芯片,倒装芯片也就是无引线覆晶封装,无引线覆晶封装是通过 共晶/回流焊接技术将电极接触面镀层上的锡或金-锡合金的电极芯片直接焊接到基板上,这样既可以固定芯片,又可电器连接和热传导。
灯丝点亮时,由于基板具有一定的透明度,以及荧光胶层的折射,使灯丝具有360°发光的特性,所以在点胶时,灯丝通常进行正背面点胶,荧光粉将LED灯丝全部包裹,保证蓝光不会析出,防止蓝光伤害视网膜。
三种LED灯丝灯的驱动电源
1、即将被淘汰的阻容降压电源
2、目前主流的非隔离开关恒流驱动电源
3、新兴的高压线性恒流驱动电源
如今,新一代占位空间更小的驱动电源芯片和方案都能满足灯丝灯无塑件的要求。
当前,世界各国的电网电压各不相同,不少国家有二个不同的电网电压在同时并用,如美国、加拿大、墨西哥、日本、巴西、越南等,电网电压从AC100V-240V,跨度较大,这就要求灯丝灯的电源能适用AC100V-240V的输入电压。
而灯丝灯的工作电压、电流基本要求是DC150V/10-30mA,因此会按不同的输入电压范围将电源设计成升压(输入AC90-130V)、降压(输入AC180-265V)、自动升降压(输入AC90-265V)三种不同的模式,以适应不同的电网电压。
灯丝灯的主流产品驱动电源的常规参数
1、蜡烛灯功率:2W,3W,4W; 输出电压为DC150V,输出电流为10-12mA,14-15mA,20-22mA;
2、球泡灯功率:2W,4W,6W,8W; 输出电压为DC150V,输出电流为10-12mA,22-24mA,33-36mA, 44-48mA。
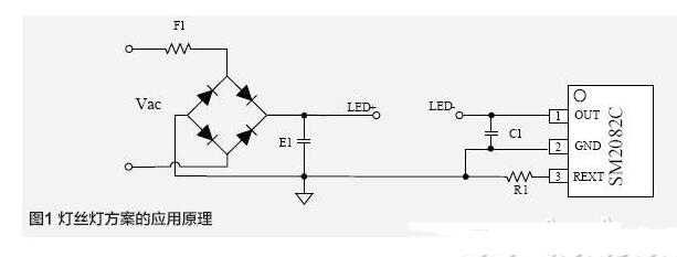
SM2082C线性恒流灯丝灯方案
SM2082C是单通道LED线性恒流驱动控制芯片,输出电流由外接电阻设置为5mA~60mA,且输出电流不随芯片OUT 端口电压而变化,系统结构简单,外围元件少,方案成本低。灯丝灯方案的应用原理(图1):

SM2082C提供ESOP8和TO252两种封装,可用于E14,E27等多种接口的驱动方案。上图中E1电容可根据客户方案进行取舍设计,如果E1电容省略,会存在交流的频闪。
下图是E14接口的方案PCB原理图(图2):

本方案PCB采用ESOP8封装的SM2082C设计,通过点状漏铜处理增强散热能力,采用兼容电解电容设计,可通过EMC认证,输出电流范围是10mA到15mA,支持110Vac或220Vac单电压输入,电压波动范围在±10%以内为佳。
由于SM2082C是线性恒流方案,需要LED灯丝的总电压较高,并且在输入电网波动范围较大时,输出电流变化大;因此在输入电压波动较大时,可以采用非隔离的恒流驱动方案。
SM7313P非隔离恒流驱动灯丝灯方案
SM7313P是一款高精度高效率的非隔离LED恒流驱动控制芯片,芯片采用BUCK电路结构,工作在固定频率模式,只需要使用相当小的贴片电感就可以实现5W以内的输出小电流高电压方案。恒流精度可以达到全电压范围±3%,外围元件少,方案成本低。SM7313P还具有LED输出开短路保护等保护功能。

本方案的电源板直径15.4mm,高度14mm,可直接放入E14灯头内,无需白色塑胶套件,当选用30V/20mA灯丝2串1并时,可支持100Vac~265Vac的输入范围。
SM7313P实现的灯丝灯方案,LED灯丝的电压不再受限,30V到150V等多种电压可选。当然,SM7313P也支持E27接口规格的应用,输出电流可达40mA,当输出电流更大时,可采用我司的SM7315P或SM7307等芯片进行方案设计。
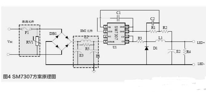
SM7315P/SM7307 非隔离大电流灯丝灯方案
SM7315P与SM7307都是非隔离BUCK LED恒流驱动控制芯片。采用高压自启动及供电技术,不需要辅助绕组提供电源,无需任何的补偿元件,即可实现恒定的输出电流。外围元件少,方案成本低,SM7307的方案原理图如图4。

图5是SM7307实现的灯丝灯方案实物图,直径为19mm,认证与非认证兼容,采用EE8.3小电感,可支持6W以下的多种规格应用150V/35mA,60V/60mA,60V/80mA等。

SM7315P与SM7307的PCB兼容,同时可以省略反馈环路,电路更简洁。
目前灯丝灯方案的的一些典型规格列表如表1:

上一篇:三种常用的LED驱动电源详解
下一篇:EMI及PCB设计与开关频率详解
- 富士通数字退火芯片DAU明年登场[18年05月19日 12:37]
- 高通总裁拜访OPPO,传拿下R15S订单[18年05月19日 12:37]
- 经济学人:台积电先进制程将超越英特尔[18年05月19日 12:36]
- 高通恩智浦并购获批前景乐观 恩智浦股价创本周最大涨幅[18年05月19日 12:35]
- 乐鑫ESP32开发板正式通过Amazon FreeRTOS的验证[18年05月18日 21:30]
- 重庆工厂将成海力士全球最大封装基地[18年05月18日 21:30]







在线客服