三种常用的LED驱动电源详解
一、什么是LED驱动电源
LED驱动电源就是把电源供应转换为特定的电压电流以驱动LED发光的电源转换器,通常情况下:LED驱动电源的输入包括高压工频交流(即市电)、低压直流、高压直流、低压高频交流(如电子变压器的输出)等。
而LED驱动电源的输出则大多数为可随LED正向压降值变化而改变电压的恒定电流源。
LED驱动电源的特点
1.高可靠性特别像LED路灯的驱动电源,装在高空,有防水铝壳驱动电源,质量好的话不容易坏,减少维修次数。
2.高效率LED是节能产品,驱动电源的效率要高。对于电源安装在灯具内的结构,尤为重要。因为LED的发光效率随着LED温度的升高而下降,所以LED的散热非常重要。电源的效率高,它的耗损功率小,在灯具内发热量就小,也就降低了灯具的温升。对延缓LED的光衰有利。
3.高功率因数功率因数是电网对负载的要求。一般70瓦以下的用电器,没有强制性指标。虽然功率不大的单个用电器功率因素低一点对电网的影响不大,但晚上大家点灯,同类负载太集中,会对电网产生较严重的污染。对于30瓦~40瓦的LED驱动电源,据说不久的将来,也许会对功率因数方面有一定的指标要求。
4.驱动方式现在通行的有两种:其一是一个恒压源供多个恒流源,每个恒流源单独给每路LED供电。这种方式,组合灵活,一路LED故障,不影响其他LED的工作,但成本会略高一点。另一种是直接恒流供电,LED串联或并联运行。它的优点是成本低一点,但灵活性差,还要解决某个LED故障,不影响其他LED运行的问题。这两种形式,在一段时间内并存。多路恒流输出供电方式,在成本和性能方面会较好。也许是以后的主流方向。
5.浪涌保护LED抗浪涌的能力是比较差的,特别是抗反向电压能力。加强这方面的保护也很重要。有些LED灯装在户外,如LED路灯。由于电网负载的启甩和雷击的感应,从电网系统会侵入各种浪涌,有些浪涌会导致LED的损坏。因此LED驱动电源要有抑制浪涌的侵入,保护LED不被损坏的能力。
6.保护功能电源除了常规的保护功能外,最好在恒流输出中增加LED温度负反馈,防止LED温度过高。
7.防护方面灯具外安装型,电源结构要防水、防潮,外壳要耐晒。
8.驱动电源的寿命要与LED的寿命相适配。
9.要符合安规和电磁兼容的要求。

LED驱动电源的不足
LED驱动电源目前存在不足的原因:
1) 生产LED照明及相关的技术人员对开关电源的了解不够,做出的电源是可以正常工作,但一些关键性的评估及电磁兼容的考虑不够,还是有一定得隐患;
2) 大部分LED电源生产都是从普通的开关电源转型过来做LED电源,对LED的特点及使用认识还不够;
3) 关于LED的标准几乎没有,大部分都是参考开关电源和电子整流器的标准;
4) 现在大部分LED电源没有统一,所以量大部分都比较小。采购量小,价格就偏高,而且元器件供应商也不太配合;
5) LED电源的稳定性:宽电压输入,高温和低温工作,过温、过压保护等问题都没有一一解决。
LED驱动电源的发展方向
1、提高驱动电源的寿命
LED很重要的优点之一是使用寿命长,约为3万~10万小时。传统的LED驱动电源中含有电解电容,而电解电容的寿命比较短,约为5,000小时,这是制约LED驱动电源寿命的主要原因,因此在LED驱动电源中应尽可能不采用电解电容。
2、提高驱动电源的输入功率因数,减小总谐波失真美国能源部发布的“能源之星”(ENERGYSTAR)固态照明文件中规定:任何功率等级都需要强制进行功率因数校正。这一标准适用于一系列的产品,如台灯、柜橱照明灯等等。其中,家庭住宅照明的LED驱动电源的功率因数必须大于0.7,商业照明中必须大于0.9。IEC61000-3-2谐波含量标准规定在大于25W功率等级的照明中应满足总谐波失真(Total Harmonic DistorTIon,THD)小于35%,功率因数不小于0.7。这些标准的出台,对于LED照明的驱动电源的设计提出了更高的要求。
3、减小驱动电源的体积
LED本身比较小巧,这对于便携式产品非常有利。LED的驱动电源也应该尽量小巧,使其能够顺利装入LED灯座。在设计过程中,应尽量减小驱动电源的体积。 [5]
4、提高驱动电源的可靠性
在LED工作过程中,温度变高、器件老化等非人为因素会对LED本体造成致命的损坏。因此在LED驱动电源中应该加入过压保护、过流保护等保护电路,对意外事故进行应急处理,保证LED本体的安全工作。

三种常用的LED驱动电源详解
1、开关恒流源
采用变压器将高压变为低压,并进行整流滤波,以便输出稳定的低压直流电。开关恒流源又分隔离式电源和非隔离式电源,隔离是指输出高低电压隔离,安全性非常高,所以对外壳绝缘性要求不高。非隔离安全性稍差,但成本也相对低,传统节能灯就是采用非隔离电源,采用绝缘塑料外壳防护。开关电源的安全性相对较高(一般是输出低压),性能稳定,缺点是电路复杂、价格较高。开关电源技术成熟,性能稳定,是目前LED照明的主流电源。

图1:开关恒流隔离式日光灯管电源
图2:开关恒流隔离电源原理图
图3:开关恒流源电源
图4:开关恒流非隔离电源原理图
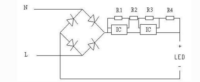
2、线性IC电源
采用一个IC或多个IC来分配电压,电子元器件种类少,功率因数、电源效率非常高,不需要电解电容,寿命长,成本低。缺点是输出高压非隔离,有频闪,要求外壳做好防触电隔离保护。市面上宣称无(去)电解电容,超长寿命的,均是采用线性IC电源。IC驱电源具有高可靠性,高效率低成本优势,是未来理想的LED驱动电源。

图5:线性IC电源
图6:线性IC电源原理图
3、阻容降压电源
采用一个电容通过其充放电来提供驱动电流,电路简单,成本低,但性能差,稳定性差,在电网电压波动时及容易烧坏LED,同时输出高压非隔离,要求绝缘防护外壳。功率因数低,寿命短,一般只适于经济型小功率产品(5W以内)。功率高的产品,输出电流大,电容不能提供大电流,否则容易烧坏,另外国家对高功率灯具的功率因数有要求,即7W以上的功率因数要求大于0.7,但是阻容降压电源远远达不到(一般在0.2-0.3之间),所以高功率产品不宜采用阻容降压电源。市场上,要求不高的低端型的产品,几乎全部是采用阻容降压电源,另外,一些高功率的便宜的低端产品,也是采用阻容降压电源。

图7:阻容降压电源
图8:阻容降压电源原理图
几种电源成本性能比较
以3W小球泡和16W日光灯管为例,各种电源成本比较:
可见,不同类别的电源,其成本差异是非常大的,其中过认证的开关隔离源最贵,阻容降压电源最便宜。
各类电源性能之比较:
在中高端市场,开关恒流非隔离电源仍是市场的主流电源,厂家一般会在结构设计上进行防高压隔离。而在低端市场,大部份厂家是采用阻容降压电源,也有部分厂家采用线性IC电源(要求厂家有一定的设计能力)。
采用不同的电源,产品的性能及价格是不一样的,我们应该根据不同的市场选用不同的产品。
下一篇:最全LED灯丝灯驱动电源方案解析
- 被动元件缺料涨价灾情惨烈,部分代工厂商或面临倒闭危机[18年05月16日 10:04]
- 绿联无线充电器评测_性价比爆棚价格实惠[18年05月19日 14:38]
- 基于i.MX6UL处理器的上电时序设计[18年05月19日 14:36]
- 绿联无线充电器怎么样_绿联无线充电器拆解详情[18年05月19日 14:14]
- 绿联qc3.0快速充电器评测(外观、性能、兼容测试)[18年05月19日 14:06]
- 电源重新上电引起的MCU启动失败的原因分析[18年05月19日 14:04]







在线客服