7812稳压块能对多大范围内的电压稳压
这种电路最小压差是2.5伏,所以也就是最高允许电压与最小压差的下的输入电压。32-14.5V.如果加足够的散热片,能输出1.5A左右的电流。否则过热会自动关闭,不会烧毁。多数厂商如ON、TOSHIBA、UTC、NS、KEC、FS、PANASONIC的产品最大输出电流是1A;少数厂商如ST、LINEAR、TI的产品是1.5A;还有个别厂商的产品最大输出电流只有100mA(例如HI-SINCERITY)。
但是除了最大输出电流的限制以外,还有耗散功率的限制,也就是说输出电流和输入-输出电压差的乘积也不能超出规定值,当输入-输出电压差较大的情况下尤其要注意功耗问题。功耗这个参数和封装外形、环境温度、使用中的散热设计等因素都有关联。过热保护功能有时并不能确保器件安全,所以厂家在数据手册中都会给出最大允许耗散功率和环境温度的关系。
7812主要参数
输出直流电压 U0=+12V,输出电流 L:0.1A,M:0.5A,电压调整率 10mV/V,输出电阻 R0=0.15Ω,输入电压UI的范围15~17V 。因为一般UI要比 U0大3~5V ,才能保证集成稳压器工作在线性区。
7812用途与特点
主要用途:
适用于各种电源稳压电路。
主要特点:
输出稳定性好、使用方便、输出过流、过热自动保护。
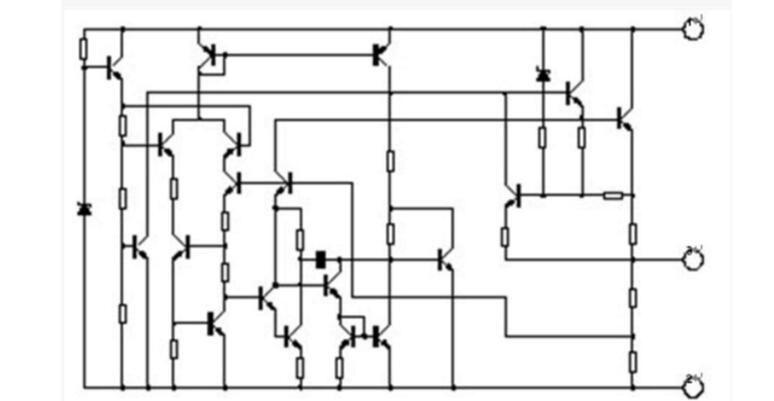
7812内部电路图

7812极限值

7812电特性
(V除非特别说明:I=19V,IO=0.5A,C1=0.33µF,C0=0.1µF,0℃<Tj<℃125)

7812构成的串联型稳压电源电路
图2 是用三端式稳压器W7812构成的单电源电压输出串联型稳压电源的实验电路图。其中整流部分采用了由四个二极管组成的桥式整流器成品(也叫整流堆,型号为2W06),当然也可以自已用四个速流二极管(如,IN4001)组成。滤波电容C1、C2一般选取几百~几千微法。当稳压器距离整流滤波电路比较远时,在输入端必须接入电容器C3(数值为0.33μF ),以抵消线路的电感效应,防止产生自激振荡。输出端电容C4(0.1μF)用以滤除输出端的高频信号,改善电路的暂态响应。
- 被动元件缺料涨价灾情惨烈,部分代工厂商或面临倒闭危机[18年05月16日 10:04]
- 绿联无线充电器评测_性价比爆棚价格实惠[18年05月19日 14:38]
- 基于i.MX6UL处理器的上电时序设计[18年05月19日 14:36]
- 绿联无线充电器怎么样_绿联无线充电器拆解详情[18年05月19日 14:14]
- 绿联qc3.0快速充电器评测(外观、性能、兼容测试)[18年05月19日 14:06]
- 电源重新上电引起的MCU启动失败的原因分析[18年05月19日 14:04]







在线客服