隔离电源你所不知道的设计细节
电源是电子系统的心脏,工业应用中,为系统前级或接口供电的电源一般都要求有高的抗干扰性能,各种隔离型的模块电源模块应运而生。你或许知道隔离电源的设计方案,但你真的能够设计出一款稳定的电源吗?本文为你揭秘。
一、电源模块为何需要隔离
1、保护人员避免受到物理和电气伤害
电源的隔离耐压在GB-4943国标中又叫抗电强度,这个GB-4943标准就是我们常说的信息类设备的安全标准,就是为了防止人员受到物理和电气伤害的国家标准,其中包括避免人受到电击伤害、物理伤害、爆炸等伤害。如下图1为隔离电源结构图。尤其是前级超出人体安全电压的直流DC-DC模块电源,如137.5VDC的铁路应用模块电源、光伏应用的1200VDC模块电源产品等,没有进行隔离的话,可能就会直接物理和电气伤害。在医疗行业,对电源的隔离要求更高,一般都要求是加强绝缘隔离,隔离越高漏电流越小,几个毫安的漏电流就可以夺走一个病人的生命。

图1 GB-4943标准
2、保护后级负载设备和系统
隔离型电源输入与输出隔离分开,在电源产品出现异常时,可对后级负载设备和系统的保护作用,避免其受到电击伤害、物理伤害、爆炸等伤害。常有看到遭受雷击浪涌、瞬间高压冲击损坏的电源产品,电路板上一大片面积的元器件被炸飞碳化掉,其实很多器件是被高压强压直接的串扰和辐射伤害到了,避免高压强压对后级弱电的伤害,隔离起到非常好的作用。

图2 后级负载损坏
3、提高共模干扰抑制性能和抗干扰能力
隔离型电源去除隔离电路之间的接地环路,可切断共模、浪涌等干扰信号的传播路径,有效降低地电势差和导线耦合干扰的影响,能提高共模干扰抑制性能和抗干扰能力,利于对干扰信号比较敏感的后级系统使用及集成,像仪器仪表、数据采集仪、嵌入式系统等高精度高要求的产品或系统,已被越来越广泛的应用,在对于远程工业通信的供电上,一般都用隔离电源为每个通信节点单独供电。同时也具有更高的安全性和可靠性,尤其是EMC特性的传导骚扰、辐射骚扰和ESD静电放电等性能上也更好一些,且在系统中可轻松完成输出接线,而不与主接地发生冲突。

图3 仪器仪表
二、如何实现电源隔离
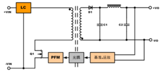
目前业界电源隔离方案主要有两种:一种是使用变压器磁隔离+光耦光电隔离组合实现初级侧与次级侧之间的电气隔离。这种方式,电路简单成熟普遍,较容易实现,能实现高输出电压精度、线性调整率和负载调整率性能,满足目前电子产品的高性能要求。

图4 光耦隔离方案
另一种是只用变压器磁隔离的方案,这种变压器磁隔离原边反馈采样方式,对变压器的一致性要求比较高,且输出电压精度、线性调整率和负载调整率性能比较差。其实行业内也有人研究过采用压电陶瓷隔离,全新技术,性能很难达到前面两种方式,且仪器设备投入成本非常高,就基本没有再被研究推广使用。

图5 原边反馈采样方案
三、自主搭建VS模块方案
目前有部分工程师在设计产品时,电源的方案选择会有这么一种想法,会认为不就那几个物料,都知道物料型号,并且都知道它们的单价,电源模块的价格相对于物料的成本显得较为昂贵,这部分用户想通过分立器件自行搭建,下面就让我从几点给你讲解,为什么要选择采购电源模块产品使用。
1、 方案选择
在产品性能需求稍微明了之后,那接下来就是开始设计开发了,首先要做的就是电路方案的选取了,下面为大家列举一些比较常见的“反面教材”。
比如设计开发一个市电交流输入转直流输出的,很多人的第一时间就想到采用工频变换电路方案,因为此方案比较简单,一个工频变压器,再加上个整流滤波就可以搞定,如下图6所示。使用此方案的产品的效率非常低,并且产品的体积会非常之大,在应用中还伴随着让人非常闹心的工频涡流声。而模块方案选用合适的变压器,并且多重工序层层保证变压器的产品一致性,保证产品最终性能。

图6 变压器方案对比
2、物料选型及PCB设计
电路方案确定之后,接下来就需要进行产品性能参数的设计,要对电路方案中的电子元器件进行参数设计、计算与结构物料选型,在这个环节必须从多方面进行权衡。
其一,物料的选型。在专业的模块电源厂商就可以做到兼得,会根据产品的不同规格需求,不同的应用条件,舍掉无需的物料规格,选择最优的所需物料规格。
其二,电源模块的PCB的设计。因为模块电源产品有模块电源的PCB设计规范要求,它要考虑散热设计、EMC设计、干扰设计和生产工艺设计等等,涉及的内容非产多,所以PCB设计在模块电源产品开发过程中是作为最重要的环节之一来对待的,如图7所示。

图7 PCB设计要求
3、可靠性测试
产品开发完成之后,并不能直接应用,为保证产品在实际应用中发挥最优性能,通常需要进行输入输出的每个性能测试、容差测试、瞬态条件测试、可靠性测试、EMC电磁兼容测试、高低温测试、极限测试、寿命测试、安规测试等测试,标准如下表1所示。,且很多性能指标的测试还要深入细化到多点测试、长时间的测试、重复反复测试和批量的测试,所以测试一个产品或一个项目,短则半个多月,多则一个月以上。致远电子拥有全套的测试设备及测试流程,如下表2所示。
表1 可靠性测试标准

表2 测试设备

4、行业应用电路设计经验
话说得好“隔行如隔山”,虽然电源是极其通用的产品,但各行各业对于电源的需求有着千百种形态,要想制作出符合自身行业应用的电源产品,这对于DIY用户难度的确不小。致远电子深耕电源模块多年,自03年第一款隔离DC-DC电源模块面世以来,得到了广大用户的青睐与认可,迄今已为诸多电子行业用户提供了不同需求的电源隔离解决方案,例如公交POS机车载电源,如下图8所示;BMS全套系统解决方案,可提供电源及信号全套隔离方案,如下图8所示。

图8 公交POS机车载电源

图9 BMS电源及信号隔离解决方案
四、总结
ZLG致远电子自主研发、生产的隔离电源模块,具有宽输入电压范围,隔离1000VDC、1500VDC、3000VDC多个系列,封装形式多样,兼容国际标准的SIP、DIP等封装,也可根据项目的特殊情况,提供量体裁衣的定制服务,为客户定制特色功能、特别封装的隔离电源。致远电源模块以其效率高、输入电压范围宽、体积小、可靠性高、耐冲击、隔离特性好,温度范围宽等特性,适用于做板级的供电电源,广泛应用于电力、工业自动化、通讯、医疗、交通、楼宇自动化、仪器仪表和汽车电子等众多领域。
- 被动元件缺料涨价灾情惨烈,部分代工厂商或面临倒闭危机[18年05月16日 10:04]
- 绿联无线充电器评测_性价比爆棚价格实惠[18年05月19日 14:38]
- 基于i.MX6UL处理器的上电时序设计[18年05月19日 14:36]
- 绿联无线充电器怎么样_绿联无线充电器拆解详情[18年05月19日 14:14]
- 绿联qc3.0快速充电器评测(外观、性能、兼容测试)[18年05月19日 14:06]
- 电源重新上电引起的MCU启动失败的原因分析[18年05月19日 14:04]







在线客服