开关电源EMI抑制措施提出新参考建议
目前,许多大学及科研单位都进行了开关电源EMI(Electromagnetic Interference)的研究,他们中有些从EMI产生的机理出发,有些从EMI 产生的影响出发,都提出了许多实用有价值的方案。这里分析与比较了几种有效的方案,并为开关电源EMI 的抑制措施提出新的参考建议。
开关电源电磁干扰的产生机理
开关电源产生的干扰,按噪声干扰源种类来分,可分为尖峰干扰和谐波干扰两种,若按耦合通路来分,可分为传导干扰和辐射干扰两种。现在按噪声干扰源来分别说明:
1、二极管的反向恢复时间引起的干扰
高频整流回路中的整流二极管正向导通时有较大的正向电流流过,在其受反偏电压而转向截止时,由于PN结中有较多的载流子积累,因而在载流子消失之前的一段时间里,电流会反向流动,致使载流子消失的反向恢复电流急剧减少而发生很大的电流变化(di/dt)。
2、开关管工作时产生的谐波干扰
功率开关管在导通时流过较大的脉冲电流。例如正激型、推挽型和桥式变换器的输入电流波形在阻性负载时近似为矩形波,其中含有丰富的高次谐波分 量。当采用零电流、零电压开关时,这种谐波干扰将会很小。另外,功率开关管在截止期间,高频变压器绕组漏感引起的电流突变,也会产生尖峰干扰。
3、交流输入回路产生的干扰
无工频变压器的开关电源输入端整流管在反向恢复期间会引起高频衰减振荡产生干扰。
开关电源产生的尖峰干扰和谐波干扰能量,通过开关电源的输入输出线传播出去而形成的干扰称之为传导干扰;而谐波和寄生振荡的能量,通过输入输出线传播时,都会在空间产生电场和磁场。这种通过电磁辐射产生的干扰称为辐射干扰。
4、其他原因
元器件的寄生参数,开关电源的原理图设计不够完美,印刷线路板(PCB)走线通常采用手工布置,具有很大的随意性,PCB的近场干扰大,并且印刷板上器件的安装、放置,以及方位的不合理都会造成EMI干扰。
开关电源EMI的特点
作为工作于开关状态的能量转换装置,开关电源的电压、电流变化率很高,产生的干扰强度较大;干扰源主要集中在功率开关期间以及与之相连的散热器 和高平变压器,相对于数字电路干扰源的位置较为清楚;开关频率不高(从几十千赫和数兆赫兹),主要的干扰形式是传导干扰和近场干扰;而印刷线路板 (PCB)走线通常采用手工布线,具有更大的随意性,这增加了PCB分布参数的提取和近场干扰估计的难度.
EMI测试技术
目前诊断差模共模干扰的三种方法:射频电流探头、差模抑制网络、噪声分离网络。用射频电流探头是测量差模 共模干扰最简单的方法,但测量结果与标准限值比较要经过较复杂的换算。差模抑制网络结构简单(见图1),测量结果可直接与标准限值比较,但只能测量共模干 扰。噪声分离网络是最理想的方法,但其关键部件变压器的制造要求很高。

目前抑制干扰的几种措施
形成电磁干扰的三要素是干扰源、传播途径和受扰设备。因而,抑制电磁干扰也应该从这三方面着手。首先应该抑制干扰源,直接消除干扰原因;其次是 消除干扰源和受扰设备之间的耦合和辐射,切断电磁干扰的传播途径(见图2);第三是提高受扰设备的抗扰能力,减低其对噪声的敏感度。目前抑制干扰的几种措 施基本上都是用切断电磁干扰源和受扰设备之间的耦合通道,它们确是行之有效的办法。常用的方法是屏蔽、接地和滤波。
采用屏蔽技术可以有效地抑制开关电源的电磁辐射干扰。例如,功率开关管和输出二极管通常有较大的功率损耗,为了散热往往需要安装散热器或直接安 装在电源底板上。器件安装时需要导热性能好的绝缘片进行绝缘,这就使器件与底板和散热器之间产生了分布电容,开关电源的底板是交流电源的地线,因而通过器 件与底板之间的分布电容将电磁干扰耦合到交流输入端产生共模干扰,解决这个问题的办法是采用两层绝缘片之间夹一层屏蔽片,并把屏蔽片接到直流地上,割断了 射频干扰向输入电网传播的途径。为了抑制开关电源产生的辐射,电磁干扰对其他电子设备的影响,可完全按照对磁场屏蔽的方法来加工屏蔽罩,然后将整个屏蔽罩 与系统的机壳和地连接为一体,就能对电磁场进行有效的屏蔽。电源某些部分与大地相连可以起到抑制干扰的作用。例如,静电屏蔽层接地可以抑制变化电场的干 扰;电磁屏蔽用的导体原则上可以不接地,但不接地的屏蔽导体时常增强静电耦合而产生所谓“负静电屏蔽”效应,所以仍以接地为好,这样使电磁屏蔽能同时发挥 静电屏蔽的作用。电路的公共参考点与大地相连,可为信号回路提供稳定的参考电位。因此,系统中的安全保护地线、屏蔽接地线和公共参考地线各自形成接地母线 后,最终都与大地相连.
在电路系统设计中应遵循“一点接地”的原则,如果形成多点接地,会出现闭合的接地环路,当磁力线穿过该回路时将产生磁感应噪声,实际上很难实现 “一点接地”。因此,为降低接地阻抗,消除分布电容的影响而采取平面式或多点接地,利用一个导电平面(底板或多层印制板电路的导电平面层等)作为参考地, 需要接地的各部分就近接到该参考地上。为进一步减小接地回路的压降,可用旁路电容减少返回电流的幅值。在低频和高频共存的电路系统中,应分别将低频电路、 高频电路、功率电路的地线单独连接后,再连接到公共参考点上。
滤波是抑制传导干扰的一种很好的办法。例如,在电源输入端接上滤波器,可以抑制开关电源产生并向电网反馈的干扰,也可以抑制来自电网的噪声对电 源本身的侵害。在滤波电路中,还采用很多专用的滤波元件,如穿心电容器、三端电容器、铁氧体磁环,它们能够改善电路的滤波特性。恰当地设计或选择滤波器, 并正确地安装和使用滤波器,是抗干扰技术的重要组成部分。

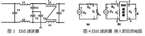
EMI滤波技术是一种抑制尖脉冲干扰的有效措施,可以滤除多种原因产生的传导干扰。图3是一种由电容、电感组成的EMI滤波器,接在开关电源的 输入端。电路中,C1、C5是高频旁路电容, 用于滤除两输入电源线间的差模干扰;L1与C2、C4;L2与C3、C4组成共模干扰滤波环节,用于滤除电源线与地之间非对称的共模干扰;L3、L4的初 次级匝数相等、极性相反,交流电流在磁芯中产生的磁通相反,因而可有效地抑制共模干扰。测试表明,只要适当选择元器件的参数,便可较好地抑制开关电源产生 的传导干扰。
现有的抑制措施大多从消除干扰源和受扰设备之间的耦合和辐射,切断电磁干扰的传播途径出发,这确是抑制干扰的一种行之有效的办法,但很少有人涉及直接控制干扰源,消除干扰,或提高受扰设备的抗扰能力,殊不知后者还有许多发展的空间。
改进措施的建议
目前从电磁干扰的传播途径出发来抑制干扰,已渐进成熟。我们的视点要回到开关电源器件本身来。从多年的工作实践来看,在电路方面要注意以下几点:
(1)印制板布局时,要将模拟电路区和数字电路区合理地分开,电源和地线单独引出,电源供给处汇集到一点;PCB布线时,高频数字信号线要用短 线,主要信号线最好集中在PCB板中心,同时电源线尽可能远离高频数字信号线或用地线隔开。其次,可以根据耦合系数来布线,尽量减少干扰耦合。(见表1)

(2)印制板的电源线和地线印制条尽可能宽,以减小线阻抗,从而减小公共阻抗引起的干扰噪声。
(3)器件多选用贴片元件和尽可能缩短元件的引脚长度,以减小元件分布电感的影响。
(4)在Vdd及Vcc电源端尽可能靠近器件接入滤波电容,以缩短开关电流的流通途径,如用10μF铝电解和0 1μF电容并联接在电源脚上。对于高速数字IC的电源端可以用钽电解电容代替铝电解电容,因为钽电解的对地阻抗比铝电解小得多。
结论
产生开关电源电磁干扰的因素还很多,抑制电磁干扰还有大量的工作。全面抑制开关电源的各种噪声会使开关电源得到更广泛的应用。
- 被动元件缺料涨价灾情惨烈,部分代工厂商或面临倒闭危机[18年05月16日 10:04]
- 绿联无线充电器评测_性价比爆棚价格实惠[18年05月19日 14:38]
- 基于i.MX6UL处理器的上电时序设计[18年05月19日 14:36]
- 绿联无线充电器怎么样_绿联无线充电器拆解详情[18年05月19日 14:14]
- 绿联qc3.0快速充电器评测(外观、性能、兼容测试)[18年05月19日 14:06]
- 电源重新上电引起的MCU启动失败的原因分析[18年05月19日 14:04]







在线客服