智能控制有源钳位反激
作者:Eric Faraci
当我第一次开始烹饪时,我宁愿独自一人,认为厨房里的其他人会让我分心。但当我开始尝试更复杂的食谱并进行多个烹饪步骤时,我发现拥有帮手非常有用,而且烹饪体验更有趣。俗语说得好:如果你不能打败他们,加入他们。
同样的原则适用于有源钳位反激。
每个人都想要更小的AC/DC转换器,尤其是当它们用于手机或平板电脑充电器时。由于简单,反激式转换器是首选的拓扑结构,因为它可以有效地将交流电转换为直流电,而只需很少的元件。但是,反激式电路能达到多小是受限的,因为与变压器漏感相关的损耗限制了实际大小。到目前为止,每个设计都通过减小漏感来应对这一点。但有源钳位反激打破了这个循环。

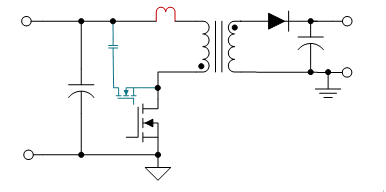
图1:有源钳位反激,漏感为红色,有源钳位为蓝色
有源钳位可存储能量并将其传输至输出,而非通过在电阻 - 电容 - 二极管(RCD)或齐纳钳位中消耗能量来应对漏感。智能控制钳位还提供零电压开关。这样消除了两大主要损耗来源,使得尺寸大大减小。如果要使用氮化镓(GaN)场效应晶体管(FET)——其输出电容和导通电阻较低,则适配器的尺寸可以减半!
但细节是关键,因为如果有源钳位得不到智能控制,它实际上会使效率变差。有源钳位反激在过去仅仅是一个幻想,因为没有足够的智能控制器来实现这种拓扑结构。但这一现象在UCC28780中已经发生了改变。这种有源钳位反激式控制器专门设计用于硅(Si)或GaN基功率级,使得这种拓扑结构适用于任何设计。UCC24612同步整流器符合美国能源部(DoE)VI级或行为准则(CoC)Tier 2标准。
- 被动元件缺料涨价灾情惨烈,部分代工厂商或面临倒闭危机[18年05月16日 10:04]
- 绿联无线充电器评测_性价比爆棚价格实惠[18年05月19日 14:38]
- 基于i.MX6UL处理器的上电时序设计[18年05月19日 14:36]
- 绿联无线充电器怎么样_绿联无线充电器拆解详情[18年05月19日 14:14]
- 绿联qc3.0快速充电器评测(外观、性能、兼容测试)[18年05月19日 14:06]
- 电源重新上电引起的MCU启动失败的原因分析[18年05月19日 14:04]







在线客服