三极管2N3055组成的简易DCDC降压电路图
三极管2N3055组成的简易DCDC降压电路图(一)
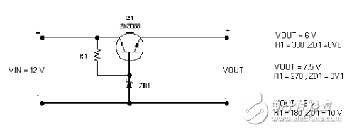
下图所示是一采用功率三极管2N3055的简易DCDC降压电路图,采用不同的电阻R1及稳压二极管可以调整输出不同的电压。输出电流可能1-2A左右。

三极管2N3055组成的简易DCDC降压电路图(二)
下图是一采用功率三极管组成的线性稳压电源电路图,2N3055可以采用其他相同规格的三极管代换,2N3417可用BD139或其他三极管,二极管1N914也可以采用常用二极管1N4148. T1采用220V(或110V)转6V到7V左右的变压器。如果变压器的采用1-2A输出电流的,测该电路的输出电流大约为1A左右。

三极管2N3055组成的简易DCDC降压电路图(三)
电感降压式DC/DC变换器:电路原理框图如图所示。

图 电感降压式DC/DC变换器原理框图
图中,VIN为输入电压,VOUT为输出电压,L为储能电感,VD为续流二极管,C为滤波电容,R1、R2为分压电阻,经分压后产生误差反馈信号FB,用以稳定输出电压和调输出电压的高低。电源开关管V既可采用N沟道绝缘栅场效应管(MOSFET),也可采用P沟道场效应管,当然也可用NPN型晶体管或PNP型晶体管,实际应用中,一般采用P沟道场效应管居多。
降压式DC/DC变换器的基本工作原理是:V开关管在控制电路的控制下工作在开关状态。开关管导通时,FIN电压经开关管S、D极、储能电感L和电容C构成回路,充电电流不但在C两端建立直流电压,而且在储能电感L上产生左正、右负的电动势;开关管截止期间,由于储能电感L中的电流不能突变,所以,L通过自感产生右正、左负的脉冲电压。于是,L右端正的电压→滤波电容C一续流二极管VD→L左端构成放电回路,放电电流继续在C两端建立直流电压,C两端获得的直流电压为负载供电。因此,降压式DC/DC变换器产生的输出电压不但波纹小,雨且开关管的反峰电压低。
三极管2N3055组成的简易DCDC降压电路图(四)
该音频功率放大器电路简单,成本低。最佳的电源电压为50V左右,但这款电路能工作在从30到60V。最大音频输入电压大约是0.8 - 1V,输出功率为60W左右。末级晶体管2N3055可以是任何NPN型功率晶体管,但不要用达林顿类型。
电容C1调节低频(低音),随着电容的增加,低频越来越响亮。
电容器C2调节更高的频率(高音),随着电容的增加,在较高的频率越来越响亮。
这是一个B类放大器,这意味着,推挽输出晶体管必需施加一个静态电流,即使是在没有任何输入信号。该电流可调节500Ω微调电阻设定。
三极管2N3055组成的简易DCDC降压电路图(五)
OCL立体声功放电路图
由图1可看出,扬声器与放大器的输出端是直接耦合,中间省掉了隔直流用的输出电容,为了使电路输出端的直流电位为零伏,采取了正负对称电源供电,差分放大器输入等措施。图1中,vTI、vt2是差分放大输入级,vt3是激励级,vt4~vt7是复合互补输出级。音频信号经过耦合电容c1和ri送到vTI的基极,经放大后,由vTI的集电极输出,并送至vt3进一步大,vt3集电极输出的激励信号去推动功率输出级vt4~vt7工作,这样经功率放大后的音频信号可推动扬声器工作。
为了便于进一步分析,可将图1简化为图2的形式。vt4和vt6复合后等效为一只npn型晶体管,而vt5和vt7复合等效为一只pnp型晶体管。从图3电路的vt4、6和vt5、7以及电源滤波电容c9、c10可以看出,它们相当于一个电桥。当vt4、6、vt5、7完全相同,c9、c10也完全相同时,桥臂平衡,扬声器没有直流通过。若正负两组电源完全对称,则可以保证输出端电位为零伏。
由于电路全部是直接耦合,环境温度和元件参数的任何变化都会影响输出端(a点,图2中)的电位。为此,vt1、vt2组成了差分放大器以克服零点漂移,电路中还施加了直流负反馈,即输出端通过r6加至vt2的基极,这样可以保证输出端(a点)的电位为零伏。其反馈过程是:a点电位↑—ube2↑—ie2↑—ur4↑—ubel↓一icl↓一uc1↑—ube3↓一ie2↓—ur7↓一ube4、6↓(ube5、7↑)一vt4、6内阻↑(vt5、7内阻↓)一a点电位↓。反之,如果a点电位↓,将通过相反变化过程使a点电位↑。
元器件的选择
输出级选用进口的优质大功率三极管;2n3055,β值尽可能高一些,其余晶体管选用南韩进口的三极管9014和9012,vd3~vd6选用桥堆1N4001,vd1、vd2选用1N4148。电源滤波电容器c7~c10选用的电解电容器1000μ/35v,其余元件见元件清单表。
调试
本电路所用的电源变压器需自行准备,采用中心抽头双输出变压器(AC:15V&TImes;2),功率不低于40瓦,接在印刷电路板的AC~和上处,通电后在C9和C10两端产生±18v的直流电压,扬声器两端的电压为零伏。 首先调整差分放大器vtl、vt2的电流,为了避免功率管有大电流流过,先用导线将vt4、vt5的基极短接,使vt4~vt7截止。然后把电阻r6接输出的一端焊下来接地。差分放大级的射极总电流由r4决定,调节R4使vt1、vt2的射极总电流为1mA,把电阻r6复原后,扬声器两端电压应为o。若有偏移,可调整r3。
上一篇:电源实时准确进行设计数据同步方案
下一篇:可用于高电压测试的有源负载
- 被动元件缺料涨价灾情惨烈,部分代工厂商或面临倒闭危机[18年05月16日 10:04]
- 绿联无线充电器评测_性价比爆棚价格实惠[18年05月19日 14:38]
- 基于i.MX6UL处理器的上电时序设计[18年05月19日 14:36]
- 绿联无线充电器怎么样_绿联无线充电器拆解详情[18年05月19日 14:14]
- 绿联qc3.0快速充电器评测(外观、性能、兼容测试)[18年05月19日 14:06]
- 电源重新上电引起的MCU启动失败的原因分析[18年05月19日 14:04]







在线客服