12v过压保护简单电路图大全
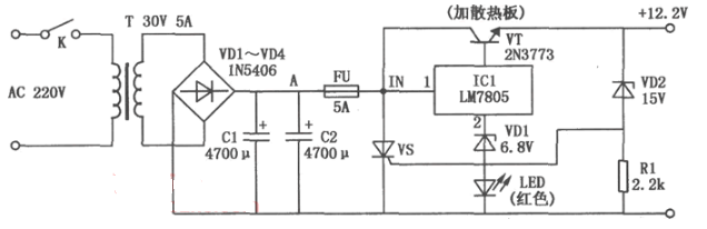
这是一个带有过压保护的12V/5A稳压电源,稳压部分采用7805三端稳压器加接扩流三极管组成,其调整端电位被一只稳压二极管和发光二极管串联压降抬高。过压保护采用可控硅短路电源的方式迫使熔断器迅速熔断而保护后级电路安全。电路图如下:

稳压电源正常输出电压为12.2V,当稳压电路异常使输出电压升高至超过15V时,稳压二极管VD2反向击穿导通,单向可控硅VS控制极得到触发电流而导通,迫使5A熔断器FU迅速熔断而保护后级电路。
12v过压保护简单电路图(二)
当某种原因使电网电压突然升高时,会使正在运行的冰箱、洗衣机、电视机、音响、电脑等家用电器遭受不同程度的损坏,严重时还会因此而发生火灾,造成很大的经济损失。本文介绍一种简易的过电压保护装置,一旦电压超过允许范围即可自动断电,电压恢复正常又可自动接通,对家电起到保护作用。
工作原理
装置工作原理见图1。电容器C1将220V交流市电降压限流后,由二极管VD1、VD2整流,电容器C2担任滤波,得到12V左右的直流电压。当电网电压正常时,稳压二极管VDW不能被击穿导通,此时三极管VT处于截止状态,双向可控硅VS受到电压触发面导通,插在插座XS中的家电正常工作。
如果电网电压突然升高,超过250V,此时在RP中点的电压就导致稳压二极管VDW击穿导通,稳压二极管导通后,又使得三极管VT导通,VT导通后,其集电极—发射极的压降很小,不足以触发VS,又导致双向可控硅VS截止,因此插座XS中的家电断电停止工作,因而起到了保护的目的。一旦电网电压下降,VT又截止,VT的集电极电位升高,又触发VS导通,家电得电继续工作。
该装置的调试十分简单,当电网电压为220V时,调整RP,使VDW不击穿,当电压升高至250V,VT饱和导通即可,调试时用一调压变压器来模拟市电的变化更方便。
12v过压保护简单电路图(三)
电力缺乏的专区,供电电压很不稳定,高峰时仅170V上下,深夜时又会超过250V,为了保护日益增多的家用电器,配置一台过压保护器还是必要的。
本人制作的过压保护器,由于采用精密稳压集成电路TL431C,电压定值准确,工作可靠;采用电容器储存电能推动继电器,因此静态功耗低,仅0.1W;采用短路电源保护,使家中用电器都能得到有效保护,具有使用方便等优点。
具体电路见图,采用电容降压和简单稳压电源电路,当供电电压正常时,TL431C控制极电压小于2.5V,TL431C电路不导通,继电器触点不闭合。当市电电压达到250V时,整流滤波后电流达3.3mA,在R3、二极管和稳压管(包括发光管)上电压降分别为11V和26V。37V电压经R1、R2分压A点电压为2.55V,TL431C电路导通,继电器K吸合,市电被短路,使供电过流器跳闸或保险丝熔断,起到保护家用电器作用。这里在触点回路中串联一只小阻值电阻,是为防止过大的短路电流烧坏触点。由于电容器C3容量较大,储存大量电荷,加在继电器线圈上,能使继电器触点维持0.2秒吸合时间,足以使过流器跳闸或保险丝熔断。
限流电容C1选用0.47μF/630V的绦纶电容器,为防止错接入380线电压,C1应具有必要的耐压。继电器应视功率大小,选用小型或超小型大中功率的触点继电器,如JQX13-F/024-1Z或JZC-22F/024-1Z。5Ω限流电阻选用5W水泥电阻,其它元器件按图选用。整个电路可安装在小塑料盒中,塑料盒底部固定电源插脚,塑料盒面上露出发光二极管。
上一篇:一款DIY自制稳压电源方案
下一篇:3.7v升压5v电路图
- 被动元件缺料涨价灾情惨烈,部分代工厂商或面临倒闭危机[18年05月16日 10:04]
- 绿联无线充电器评测_性价比爆棚价格实惠[18年05月19日 14:38]
- 基于i.MX6UL处理器的上电时序设计[18年05月19日 14:36]
- 绿联无线充电器怎么样_绿联无线充电器拆解详情[18年05月19日 14:14]
- 绿联qc3.0快速充电器评测(外观、性能、兼容测试)[18年05月19日 14:06]
- 电源重新上电引起的MCU启动失败的原因分析[18年05月19日 14:04]







在线客服