36v欠压保护电路图大全(六款模拟电路设计原理图详解)
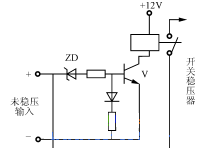
输出电压低于规定值时,反映了输入直流电源、开关稳压器内部或者输出负载发生了异常。输入直流电源电压下降到规定值之下时,会导致开关稳压器的输出电压跌落,输入电流增大,既危及开关三极管,也危及输入电源。因此,要设欠电压保护。简单的欠电压保护如图1所示。

图1 输入欠电压保护
当未稳压输入的电压值正常时,稳压管ZD击穿,晶体管V导通,继电器动作,触点吸合,开关稳压器加电。当输入低于所允许的最低电压值时,稳压管ZD不通,V截止,触点跳开,开关稳压器不能工作。
开关稳压器内部,由于控制电路失常或者开关三极管失效会使输出电压下降;负载发生短路也会使输出电压下降。特别在升压型或反相升压型的直流开关稳压器中欠电压的保护是跟过电流保护紧密相关的,因而更加重要。实现方法是在开关稳压器的输出端接电压比较器。
正常时,比较器没有输出,一旦电压跌落在允许值之下比较器就翻转,驱动告警电路;同时反馈到开关稳压器的控制电路,使开关三极管截止或切断输入电源。
36v欠压保护电路图(二)
电路工作原理:
本电路由11个元件组成,电路简洁,反应灵敏,其应用范围也比较宽广,电压范围和功率容量可以通过使用不同的器件而改变,并且可采用贴片元件,使体积进一步减小。

电路如上图所示。在电压正常的情况下,b点电位较高,故a点电位相应也较高;晶闸管导通,所以Ql导通,输出端的负载正常1工作。当输入电压降低到一定程度时.b点电位相应下降,Q2导通程度减弱使a点电位降低,可控硅关断,使Ql截止,切断了对负载的供电。当外部电压正常或电池充足电后,对其手动复位即可。若需安装指示电路可按下图所示安装,采用三色发光二极管进行指示即可。
本电路可用于电动车、充电灯、矿灯等对铅酸电池进行过放电保护,也可接入低压直流供电回路中保护负载。在此,在应用铅酸电池的场合中,应尽量加装欠压保护器,并能在单格电压降至1.9V左右时实行保护,以延长电池的使用寿命。
注意本电路在不同的应用场合应合理选择器件,并留有一定余量,以保证电路的稳定工作。
36v欠压保护电路图(三)
电路工作原理:
当电源产生过流、过压、欠压故障时,V1、V2、V3为高电平,D触发器检测到该脉冲电平,锁存故障。再送入到或门,使得故障输出V7为高电平。V7分为两路:一路送到驱动电路中,关掉驱动,保护主回路IGBT开关管;另一路送到控制保护电路中,关断三相380的输入。

36v欠压保护电路图(四)
在做逆变器时,我们总是要设计一款欠压过压保护电路,如图中的电路有如下特点:
1.只用了一个单元的比较器来完成欠压和过压保护功能,所以相对于用二个比较器的电路来讲,比较简单。
2.当BT电压降到10.5以下时,比较器输出高电平,关闭3525的PWM输出,因为该比较器加了一个正反馈电阻R5,所以电路具有回差值,这时,如果BT回升到12.2V时,比较器反转,输出低电平,逆变器又自动重新启动。
3.当BT电压因为某种原因升到14.8以上时,D1导通,比较器输出高电平,关闭逆变器。D1稳压值为13.3V时,保护门限为14.8V,如要没有合适的稳压管,可以用10V+3.3V二个串联起来用,效果一样的。
如上是12V时的参数,如果要用于24V系统,只要改动几个电阻的参数就可以了。

欠压保护电路图(五)
输入过欠压保护电路原理图如下所示:
1、原理图:
2、工作原理:
AC输入和DC输入的开关电源的输入过欠压保护原理大致相同。保护电路的取样电压均来自输入滤波后的电压。取样电压分为两路,一路经R1、R2、R3、R4分压后输入比较器3脚,如取样电压高于2脚基准电压,比较器1脚输出高电平去控制主控制器使其关断,电源无输出。另一路经R7、R8、R9、R10分压后输入比较器6脚,如取样电压低于5脚基准电压,比较器7脚输出高电平去控制主控制器使其关断,电源无输出。
36v欠压保护电路图(六)
电路工作原理:
图所示.市电220V交流电源经电容器C1C1降压、硅二极管、VD1半波整流、电容器C2滤波及稳压管VD2稳压后,得到平滑的直流电。向延时、欠压保护装置电路提供10~12V工作电压。
在电网电压瞬间断电又立即恢复供电时,因单结晶体管VT的发射极为低电位而截止,继电器K断电,电冰箱停止工作。这时,电源经继电器K的常闭触点K1-1、电阻RP向电容器C3充电,待C3上的电压升至定值时VT导通,继电器K得电工作.这是因为常开触点与常闭触点K1-1接在一起,保护装置的电路电源仍处于接通状态;常开触点K2-1闭合,电冰箱接通电源工作,从而实现了瞬间断电又恢复供电的延时保护功能。发光二极管LED点亮,提示保护功能处于工作状态。
如电网电压降至185V以下时。经降压、整流后的电压远低于10V,则C3两端电压不足以使单结晶体管VT导通工作,继电器K便失电而释放,切断电冰箱的电源,确保电冰箱不在低电压超负载情况下运行工作。
元器件选择:
VT是单结晶体管,选用BT33-BT35。RP是微调电阻器也可用小型电位器。VD1是IN4007型硅整流二极管。VD2是稳压二极管,最好选用2CW110。LED是红色高亮度的发光二极管。C1是耐压值400V的CBB电容器。C2、C3:耐压值35V、漏电电流最小的电解电容器。K10-12V直流继电器,双组触点,JQX-为13F2Z型。
制作与调试:
切记:组装时,继电器的一组两个触点K1应连在一起,为保证继电器吸合时,这组触点始终处于闭合状态。延时时间,应调节RP的阻值或C3的容量,一般延时时间为5~8分钟为佳。
在调试过程中,要确保交流电压低于185V实现欠压保护。最关键的是调整C3两端的电压。笔者用一台300W调压器,把220V电压降至185V,与欠压保护装置相连接。然后调整RP,使继电器触点刚好吸合稳定工作,再将输入交流电压降至185V以下时,继电器释放,这就说明调整完毕。说明:继电器试调要与延时调整统筹兼顾,就应耐心细致地进行调整,其他无特殊要求,只要焊接无误,一装即成。
上一篇:详解直流稳压电源电路
- 被动元件缺料涨价灾情惨烈,部分代工厂商或面临倒闭危机[18年05月16日 10:04]
- 绿联无线充电器评测_性价比爆棚价格实惠[18年05月19日 14:38]
- 基于i.MX6UL处理器的上电时序设计[18年05月19日 14:36]
- 绿联无线充电器怎么样_绿联无线充电器拆解详情[18年05月19日 14:14]
- 绿联qc3.0快速充电器评测(外观、性能、兼容测试)[18年05月19日 14:06]
- 电源重新上电引起的MCU启动失败的原因分析[18年05月19日 14:04]







在线客服