软开关LLC谐振电路特点与LLC谐振转换器工作原理解析
近来, LLC拓扑以其高效,高功率密度受到广大电源设计工程师的青睐,但是这种软开关拓扑对MOSFET的要求却超过了以往任何一种硬开关拓扑。特别是在电源启机,动态负载,过载,短路等情况下。CoolMOS 以其快恢复体二极管,低Qg 和Coss能够完全满足这些需求并大大提升电源系统的可靠性。
长期以来, 提升电源系统功率密度,效率以及系统的可靠性一直是研发人员面临的重大课题。 提升电源的开关频率是其中的方法之一, 但是频率的提升会影响到功率器件的开关损耗,使得提升频率对硬开关拓扑来说效果并不十分明显,硬开关拓扑已经达到了它的设计瓶颈。而此时,软开关拓扑,如LLC拓扑以其独具的特点受到广大设计工程师的追捧。但是… 这种拓扑却对功率器件提出了新的要求。
2. LLC 电路的特点
LLC 拓扑的以下特点使其广泛的应用于各种开关电源之中:
LLC 转换器可以在宽负载范围内实现零电压开关。
2. 能够在输入电压和负载大范围变化的情况下调节输出,同时开关频率变化相对很小。
3. 采用频率控制,上下管的占空比都为50%.
4. 减小次级同步整流MOSFET的电压应力,可以采用更低的电压MOSFET从而减少成本。
5. 无需输出电感,可以进一步降低系统成本。
6. 采用更低电压的同步整流MOSFET, 可以进一步提升效率。
3. LLC 电路的基本结构以及工作原理
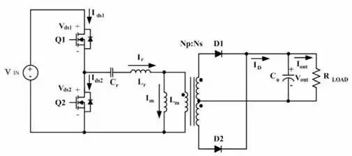
图1和图2分别给出了LLC谐振变换器的典型线路和工作波形。如图1所示LLC转换器包括两个功率MOSFET(Q1和Q2),其占空比都为0.5;谐振电容Cr,副边匝数相等的中心抽头变压器Tr,等效电感Lr,励磁电感Lm,全波整流二极管D1和D2以及输出电容Co。

图1 LLC谐振变换器的典型线路

图2 LLC谐振变换器的工作波形
而LLC有两个谐振频率,Cr, Lr 决定谐振频率fr1; 而Lm, Lr, Cr决定谐振频率fr2。
系统的负载变化时会造成系统工作频率的变化,当负载增加时, MOSFET开关频率减小, 当负载减小时,开关频率增大。

3.1 LLC谐振变换器的工作时序
LLC变换器的稳态工作原理如下。
1)〔t1,t2〕
Q1关断,Q2开通,电感Lr和Cr进行谐振,次级D1关断,D2开通,二极管D1约为两倍输出电压,此时能量从Cr, Lr转换至次级。直到Q2关断。
2)〔t2,t3〕
Q1和Q2同时关断,此时处于死区时间, 此时电感Lr, Lm电流给Q2的输出电容充电,给Q1的输出电容放电直到Q2输出电容的电压等于Vin.
次级D1和D2关断 Vd1=Vd2=0, 当Q1开通时该相位结束。
3)〔t3,t4〕
Q1导通,Q2关断。D1导通, D2关断, 此时Vd2=2Vout
Cr和Lr谐振在fr1, 此时Ls的电流通过Q1返回到Vin,直到Lr的电流为零次相位结束。
4)〔t4,t5〕
Q1导通, Q2关断, D1导通, D2关断,Vd2=2Vout
Cr和Lr谐振在fr1, Lr的电流反向通过Q1流回功率地。 能量从输入转换到次级,直到Q1关断该相位结束
5)〔t5,t6)
Q1,Q2同时关断, D1,D2关断, 原边电流I(Lr+Lm)给Q1的Coss充电, 给Coss2放电, 直到Q2的Coss电压为零。 此时Q2二极管开始导通。 Q2开通时相位结束。
6)〔t6,t7〕
Q1关断,Q2导通,D1关断, D2 开通,Cr和Ls谐振在频率fr1, Lr 电流经Q2回到地。 当Lr电流为零时相位结束。
3.2 LLC谐振转换器异常状态分析
以上描述都是LLC工作在谐振模式, 接下来我们分析LLC转换器在启机, 短路, 动态负载下的工作情况。
3.21 启机状态分析
通过LLC 仿真我们得到如图3所示的波形,在启机第一个开关周期,上下管会同时出现一个短暂的峰值电流Ids1 和Ids2. 由于MOSFET Q1开通时会给下管Q2的输出电容Coss充电,当Vds为高电平时充电结束。而峰值电流Ids1和Ids2也正是由于Vin通过MOSFET Q1 给Q2 结电容Coss的充电而产生。

图3 LLC 仿真波形
我们将焦点放在第二个开关周期时如图4,我们发现此时也会出现跟第一个开关周期类似的尖峰电流,而且峰值会更高,同时MOSFET Q2 Vds也出现一个很高的dv/dt峰值电压。那么这个峰值电流的是否仍然是Coss引起的呢? 我们来做进一步的研究。

图4 第二个开关周期波形图
对MOSFET结构有一定了解的工程师都知道,MOSFET不同于IGBT,在MOSFET内部其实寄生有一个体二极管,跟普通二极管一样在截止过程中都需要中和载流子才能反向恢复, 而只有二极管两端加上反向电压才能够使这个反向恢复快速完成, 而反向恢复所需的能量跟二极管的电荷量Qrr相关, 而体二极管的反向恢复同样需要在体二极管两端加上一个反向电压。在启机时加在二极管两端的电压Vd=Id2 x Ron. 而Id2在启机时几乎为零,而二极管在Vd较低时需要很长的时间来进行反向恢复。如果死区时间设置不够,如图5所示高的dv/dt会直接触发MOSFET内的BJT从而击穿MOSFET.

图5
通过实际的测试,我们可以重复到类似的波形,第二个开关周期产生远比第一个开关周期高的峰值电流,同时当MOSFET在启机的时dv/dt高118.4V/ns. 而Vds电压更是超出了600V的最大值。MOSFET在启机时存在风险。

图6
3.22 异常状态分析
下面我们继续分析在负载剧烈变化时,对LLC拓扑来说存在那些潜在的风险。
在负载剧烈变化时,如短路,动态负载等状态时,LLC电路的关键器件MOSFET同样也面临着挑战。
通常负载变化时LLC 都会经历以下3个状态。我们称之为硬关断, 而右图中我们可以比较在这3个时序当中,传统MOSFET和CoolMOS内部载流子变化的不同, 以及对MOSFET带来的风险。

时序1, Q2零电压开通,反向电流经过MOSFET和体二极管, 此时次级二极管D2开通,D1关段。
-传统MOSFET此时电子电流经沟道区,从而减少空穴数量
-CoolMOS此时同传统MOSFET一样电子电流经沟道,穴减少,不同的是此时CoolMOS 的P井结构开始建立。

时序2, Q1和Q2同时关断,反向电流经过MOSFETQ2体二极管。
Q1和Q2关断时对于传统MOSFET和CoolMOS来说内部电子和空穴路径和流向并没有太大的区别。

时序3, Q1此时开始导通,由于负载的变化, 此时MOSFET Q2的体二极管需要很长的时间来反向恢复。当二极管反向恢复没有完成时MOSFET Q2出现硬关断, 此时Q1开通,加在Q2体二极管上的电压会在二极管形成一个大电流从而触发MOSFET内部的BJT造成雪崩。
-传统MOSFET此时载流子抽出,此时电子聚集在PN节周围, 空穴电流拥堵在PN节边缘。
-CoolMOS的电子电流和空穴电流各行其道, 此时空穴电流在已建立好的P井结构中流动,并无电子拥堵现象。
综上, 当LLC电路出现过载,短路,动态负载等条件下, 一旦二极管在死区时间不能及时反向恢复, 产生的巨大的复合电流会触发MOSFET内部的BJT使MOSFET失效。
有的 CoolMOS采用Super Juction结构, 这种结构在MOSFET硬关断的状态下, 载流子会沿垂直构建的P井中复合, 基本上没有侧向电流, 大大减少触发BJT的机会。
4. 如何更容易实现ZVS
通过以上的分析,可以看到增加MOSFET的死区时间,可以提供足够的二极管反向恢复时间同时降低高dv/dt, di/dt 对LLC电路造成的风险。但是增加死区时间是唯一的选择么?下面我们进一步分析如何够降低风险提升系统效率。

图7
对于LLC 电路来说死区时间的初始电流为

而LLC能够实现ZVS必须满足

而最小励磁电感为

根据以上3个等式,我们可以通过以下三种方式让LLC实现ZVS.
第一, 增加Ipk.
第二, 增加死区时间。
第三, 减小等效电容Ceq即Coss.
从以上几种状况,我们不难分析出。增加Ipk会增加电感尺寸以及成本,增加死区时间会降低正常工作时的电压,而最好的选择无疑是减小Coss,因为减小无须对电路做任何调整,只需要换上一个Coss相对较小MOSFET即可。
5. 结论
LLC 拓扑广泛的应用于各种开关电源当中,而这种拓扑在提升效率的同时也对MOSFET提出了新的要求。不同于硬开关拓扑,软开关LLC谐振拓扑,不仅仅对MOSFET的导通电阻(导通损耗),Qg(开关损耗)有要求,同时对于如何能够有效的实现软开关,如何降低失效率,提升系统可靠性,降低系统的成本有更高的要求。CoolMOS,具有快速的体二极管,低Coss,有的可高达650V的击穿电压,使LLC拓扑开关电源具有更高的效率和可靠性。
- 被动元件缺料涨价灾情惨烈,部分代工厂商或面临倒闭危机[18年05月16日 10:04]
- 绿联无线充电器评测_性价比爆棚价格实惠[18年05月19日 14:38]
- 基于i.MX6UL处理器的上电时序设计[18年05月19日 14:36]
- 绿联无线充电器怎么样_绿联无线充电器拆解详情[18年05月19日 14:14]
- 绿联qc3.0快速充电器评测(外观、性能、兼容测试)[18年05月19日 14:06]
- 电源重新上电引起的MCU启动失败的原因分析[18年05月19日 14:04]







在线客服