DC-DC电源模块常见应用问题分析与解决
微功率DC-DC电源模块以高集成度、高可靠性、简化设计等多重优势,广泛应用于电路设计中。虽然其应用电路简单,操作简单,但往往在应用时还是会遇到一些常见问题。针对此本文对电源模块常见的应用问题以及如何排除故障进行一次详细的分析。
微功率DC-DC电源模块以高集成度、高可靠性、简化设计等多重优势,受到很多电子设计者的青睐。电源模块虽然应用电路简单,操作简单,但往往在应用时还是会遇到一些常见问题。针对此本文对电源模块常见的应用问题以及如何排除故障进行详细的分析,希望对设计者的电源模块选型时有所帮助。
常见问题一:输出纹波噪声偏大
原因1:模块在使用时,负载为动态负载,使得模块输出电压峰峰值变大,但注意这不是纹波噪声。
当负载电流如果进行周期性突变时,模块输出电压的峰峰值会变大。这是一个瞬态量,但有时会被误以为是纹波噪声。所以当使用一个电源模块给多个电路单元供电时,对于有周期性负载变化的电路,前级需要增加π型滤波,减小这部分电路的瞬态变化对其他电路的干扰。
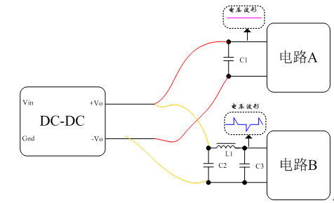
例如,下图中电路B由于负载大小的变化,使得输入电压波动。为了减小电路B对电路A的干扰,建议在电路B的输入端增加π型滤波。

图 1 电路链接框图
原因2:示波器地线问题
在测试电源输出的纹波噪声时,示波器的地线夹和地线、模块输出引脚形成一个环路,类似于天线接收器,会引入其他噪声。如果测试的环境干扰大,这种噪声也会由示波器引入,影响纹波噪声测试的结果。
且平常我们购买的示波器探头的地与示波器内部的大地线相连,这种情况对工频干扰的抗扰能力弱,容易引入干扰噪声。所以在使用中最好保证示波器探头浮地处理(隔离开示波器的电源地,或者直接使用电池供电的示波器),减少引入的干扰。如果测量对象的供电电源也是浮地,这样更好,这样就不会导致电路特性的改变,使模块输出噪声增大。
问题二:模块启动后,输出电压偏低
原因1:输入端有防反接电路

图 2 模块防反接链接框图
举例:图2中的ZY_FKES-3W模块是定压输入非稳压输出模块,其输出电压会随着输入电压和负载大小的变化而变化的。由于在电路设计时,在其输入侧增加了防反接二极管,于是这会导致到模块输入端的电压降低,从而输出电压变小。因为我们在设计使用防反接二极管时,要考虑二极管的正向导通压降。
原因2:输出导线阻抗过大或者电压表连接不规范

图 3 模块连接框图
在使用电源模块时,我们在测试输出电压,经常贪图方便直接测试被供电电路输入端的电压。但由于模块输出端到被供电电路的输入端之间的阻抗过大,所以会使得测量值比实际值偏低。因此在测试电源模块的输出电压时,应该测量模块输出引脚之间的电压,而非被供电电路输入端的电压。
原因3:在使用模块时,未准确估算出所需的电源模块功率,使模块处于超载启动或者超载工作状态

例如,ZY_FKES-3W定压输入非稳压输出的电源模块,额定功率为3W,即模块使用的功率范围不能超过3W。ZY0505FKES-3W模块在5V输入下,输出400mA时,输出电压大约为4.98V;输出600mA时,输出电压大约为4.88V,如果超载,输出电压将更低。随着负载增加,会使得输出电压降低,这个定压输入非稳压输出模块的特性。
选择优质的隔离电源模块,让电路设计事半功倍
致远电子自主研发、生产的隔离电源模块,具有宽输入电压范围,隔离1000VDC、1500VDC、3000VDC多个系列,封装形式多样,兼容国际标准的SIP、DIP等封装,也可根据项目的特殊情况,提供量体裁衣的定制,为客户定制特色功能、特别封装的隔离电源。

致远电子电源模块以其效率高、输入电压范围宽、体积小、可靠性高、耐冲击、隔离特性好,温度范围宽等特性,适用于做板级的供电电源,广泛应用于电力、工业自动化、通讯、医疗、交通、楼宇自动化、仪器仪表和汽车电子等众多领域。
- 被动元件缺料涨价灾情惨烈,部分代工厂商或面临倒闭危机[18年05月16日 10:04]
- 绿联无线充电器评测_性价比爆棚价格实惠[18年05月19日 14:38]
- 基于i.MX6UL处理器的上电时序设计[18年05月19日 14:36]
- 绿联无线充电器怎么样_绿联无线充电器拆解详情[18年05月19日 14:14]
- 绿联qc3.0快速充电器评测(外观、性能、兼容测试)[18年05月19日 14:06]
- 电源重新上电引起的MCU启动失败的原因分析[18年05月19日 14:04]







在线客服